logo

Einzelheiten zu den Produkten

Created with Pixso. Zu Hause Created with Pixso. Produits Created with Pixso.
Niederspannungs-Schutz-Geräte
Created with Pixso.

IC693CMM321 Ethernet SPS-Steuerungen, SERIE 90-30 IO Ethernet Modul 4 Kanäle

IC693CMM321 Ethernet SPS-Steuerungen, SERIE 90-30 IO Ethernet Modul 4 Kanäle

Markenbezeichnung: GE
Modellnummer: IC693CMM321
MOQ: 1
Preis: Verhandlungsfähig
Zahlungsbedingungen: L/C, D/A, D/P, T/T, Western Union, MoneyGram
Versorgungsfähigkeit: In Stock
Einzelheiten
Place of Origin:
USA
Zertifizierung:
CE
Packaging Details:
New Original Box
Supply Ability:
In Stock
Hervorheben:

4 Kanäle 90-30 Ethernet-Modul

,

Ethernet-Modul der Serie 90-30

,

IC693CMM321 Ethernet-Modul

Beschreibung des Produkts
Detaillierte Produktbeschreibung
Marke: GE Modell: Der Wert der Verbrennungsmenge ist zu messen.
Herkunftsort: USA Produktbezeichnung: Ethernet-Schnittstellenmodul
Reihe: 90 bis 30 Gewicht: 1 Pfund
Spannungswelle: 10% Antwort des Eingabefilters: 29 Hz
Zu beleuchten:

Industrieprogrammsteuerung

,

mit einer Leistung von mehr als 10 W

 

 

PLC Programmierbare Logik-Controller IC693CMM321 GE FANUC SERIES 90-30 Ethernet-Schnittstellenmodul

 

 

 

 

The Analog Current/Voltage Combination Input/Output module provides up to 4 differential input current or voltage channels and 2 single-ended output channels with either current loop outputs or voltage outputs. Jeder Kanal kann individuell für den für Ihre Anwendung erforderlichen Strom- oder Spannungsbereich konfiguriert werden.mit Ausnahme eines für die Auswahl des aktuellen Eingabe-Modus erforderlichen Sprungers. Alle Bereiche können entweder mit der Logicmaster 90-30/20/Micro-Programmierungssoftware-Konfiguratorfunktion oder dem Handprogrammierer der Serie 90-30 konfiguriert werden.

 

Es ist zu beachten, dass in der Beschreibung dieses Moduls das Modul einfach als Analog Combo Modul bezeichnet wird.

 

Jeder analoge Eingang ist in der Lage, fünf Eingangsbereiche (zwei Spannungs- und drei Strombereiche) bereitzustellen, nämlich:

  • 0 bis +10 Volt (unipolar) - Standardbereich für Eingangs- und Ausgangskanäle.
  • 10 bis +10 Volt (bipolar)
  • 4 bis 20 mA
  • 4 bis 20 mA verstärkt

 

Der Standard-Eingangsbereich ist der Spannungsmodus 0 bis +10 Volt (unipolar), wobei die Benutzerdaten so skaliert sind, dass 0V einer Zählung von 0 und 10V einer Zählung von 32767 entspricht.

 

Jeder analoge Ausgang ist in der Lage, vier Ausgangsbereiche (zwei Spannungs- und zwei Strombereiche) zu liefern:

  • 0 bis +10 Volt (unipolar) - Standardbereich für Eingangs- und Ausgangskanäle.
  • 10 bis +10 Volt (bipolar)
  • mit einer Breite von mehr als 20 mm
  • 4 bis 20 Milliampere

 

 

 

Schnelle Einzelheiten

  1. Marke:GE
  2. Modell:Der Wert der Verbrennungsmenge ist zu messen.
  3. Herkunftsort: USA

 

Beschreibung

Die Ausgänge können so konfiguriert werden, dass sie entweder den letzten Stand halten oder bei Unterbrechung des Netzteils auf das niedrigste Ende ihres Bereichs zurückgesetzt werden.Ausgänge können auch so konfiguriert werden, dass sie im Rampenmodus unter Befehl des Anwendungsprogramms betrieben werden. Im Rampenmodus wechselt der Ausgangskanal über einen bestimmten Zeitraum hinweg zu einem neuen Wert, anstatt den neuen Wert sofort einzunehmen.Höhere und niedrigere Alarmgrenzen können für alle Eingangskanäle festgelegt werden und ein Open-Wire-Fehler (Strom-Ausgangsmodi) kann für jeden Ausgangskanal an die CPU gemeldet werden. ALG442-Module in RX3i-Racks unterstützen Firmware-Upgrades im Feld.

 

 

Die Angabe der Angaben

Anzahl der Eingangskanäle4 Differenz
Eingabebereiche:0 bis 20 mA / 4 bis 20 mA / 4 bis 20 mA verstärkt
Auflösung von 0 bis +10V:2.5 mV (1 LSB = 2,5 mV)
Auflösung von -10 bis +10V:5 mV (1 LSB = 5 mV)
Antwort des Eingabefilters:29 Hz
Stromverbrauch aus der internen +5V-Versorgung:95 mA
Stromverbrauch aus externer Nutzerversorgung:129 mA
Typ des Geräts:Analog, Strom/Spannung
Außenspannungsbereich:20 bis 30 VDC (24 VDC typisch)
Spannungswelle:10%
Stromverbrauch:95 mA von der internen +5 VDC-Versorgung, 150 mA von der externen +24 VDC-Versorgung
Aktualisierungsrate: Aktualisierungsrate:3 ms
Isolierung, Feld bis hin zum Hintergrund und zum Boden:250 VAC kontinuierlich; 1500 VAC für 1 Minute
Analog-AusgängeZweitens, Single? Schluss
Ausgangsbereiche:0-20 mA, 4-20 mA
Ausgangslastkapazität:2000 pF (höchstens)
Ausgangslastinduktivität:1 H (maximal)

 

 

The Analog Current/Voltage Combination Input/Output module provides up to 4 differential input current or voltage channels and 2 single-ended output channels with either current loop outputs or voltage outputs. Jeder Kanal kann individuell für den für Ihre Anwendung erforderlichen Strom- oder Spannungsbereich konfiguriert werden.mit Ausnahme eines für die Auswahl des aktuellen Eingabe-Modus erforderlichen Sprungers. Alle Bereiche können entweder mit der Logicmaster 90-30/20/Micro-Programmierungssoftware-Konfiguratorfunktion oder dem Handprogrammierer der Serie 90-30 konfiguriert werden.

 

Es ist zu beachten, dass in der Beschreibung dieses Moduls das Modul einfach als Analog Combo Modul bezeichnet wird.

 

Jeder analoge Eingang ist in der Lage, fünf Eingangsbereiche (zwei Spannungs- und drei Strombereiche) bereitzustellen, nämlich:

  • 0 bis +10 Volt (unipolar) - Standardbereich für Eingangs- und Ausgangskanäle.
  • 10 bis +10 Volt (bipolar)
  • 4 bis 20 mA
  • 4 bis 20 mA verstärkt

 

Der Standard-Eingangsbereich ist der Spannungsmodus 0 bis +10 Volt (unipolar), wobei die Benutzerdaten so skaliert sind, dass 0V einer Zählung von 0 und 10V einer Zählung von 32767 entspricht.

 

Jeder analoge Ausgang ist in der Lage, vier Ausgangsbereiche (zwei Spannungs- und zwei Strombereiche) zu liefern:

  • 0 bis +10 Volt (unipolar) - Standardbereich für Eingangs- und Ausgangskanäle.
  • 10 bis +10 Volt (bipolar)
  • mit einer Breite von mehr als 20 mm
  • 4 bis 20 Milliampere
 
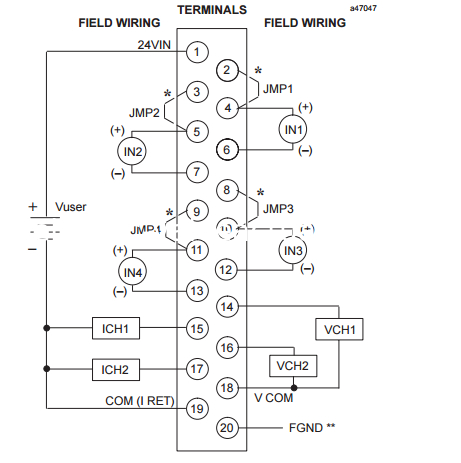
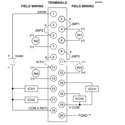
IC693ALG442 Analog-Combo-Modulfeldverkabelungsdiagramm
 
IC693CMM321 Ethernet SPS-Steuerungen, SERIE 90-30 IO Ethernet Modul 4 Kanäle 0
 
Ähnliche Produkte
IC693CMM321A Die in Anhang I der Verordnung (EG) Nr. 396/2005 aufgeführte Methode wird angewendet. IC693CMM321C
Die in Anhang I der Verordnung (EG) Nr. 396/2005 aufgeführten Daten werden in Anhang I der vorliegenden Verordnung übermittelt. IC693CMM321E Die in Anhang I der Verordnung (EG) Nr. 396/2005 aufgeführten Daten werden in Anhang II der Verordnung (EG) Nr. 396/2005 übermittelt.
Die in Anhang I der Verordnung (EG) Nr. 396/2005 aufgeführten Daten werden in Anhang II der Verordnung (EG) Nr. 396/2005 übermittelt. IC693CMM321H Der Wert der Verbrennungsmenge ist zu messen.
Der Wert der Verbrennungsmenge ist zu messen. IC693CMM321K IC693CMM321L
IC693CMM321M Die in Anhang I der Verordnung (EG) Nr. 396/2005 aufgeführten Daten sind zu entnehmen. IC693CMM321O
Der Wert der Verbrennungsmenge ist zu messen. Der Wert der Verbrennungsmenge ist zu messen. Der Wert der Verbrennungsmenge ist zu messen.
IC693CMM321S Der Wert der Verbrennungsmenge ist zu messen. IC693CMM321U
IC693CMM321V IC693CMM321W IC693CMM321X
IC693CMM321Y Die in Anhang I der Verordnung (EG) Nr. 396/2005 aufgeführten Daten werden in Anhang II der Verordnung (EG) Nr. 396/2005 übermittelt.

 

 

IC693CMM321 Ethernet SPS-Steuerungen, SERIE 90-30 IO Ethernet Modul 4 Kanäle 1

 


Andere übergeordnete Erzeugnisse

Yasakawa Motor, Fahrer SG- Mitsubishi Motor HC-, HA-
Westinghouse Module 1C, 5X, Emerson VE, KJ
Honeywell TC, TK... Fanucmotor A0-
Rosemount-Sender 3051- Yokogawa-Sender EJA-