logo

Einzelheiten zu den Produkten

Created with Pixso. Zu Hause Created with Pixso. Produits Created with Pixso.
Niederspannungs-Schutz-Geräte
Created with Pixso.

Robustes Messinggehäuse HMI-Touchpanel Kipphebelanker 1250W 11-12110-00

Robustes Messinggehäuse HMI-Touchpanel Kipphebelanker 1250W 11-12110-00

Markenbezeichnung: Emerson
Modellnummer: 11-21110-00
MOQ: 1
Preis: Verhandlungsfähig
Zahlungsbedingungen: Akkreditiv, Dokumenteninkasso, Dokument gegen Zahlung, Überweisung, Western Union, MoneyGram
Versorgungsfähigkeit: Vorräte
Einzelheiten
Herkunftsort:
Amerika
Zertifizierung:
CE
Verpackung Informationen:
Neue Originalbox
Versorgungsmaterial-Fähigkeit:
Vorräte
Beschreibung des Produkts
Detaillierte Produktbeschreibung
Marke: Emerson Modell: 11-12110-00
Ursprung: 11-12110-00 AC: 120/240/480/600VAC
W: 1250W Verpackung: Karton
Highlight:

HMI-Display-Touchscreen

,

Industrielle HMI-Panels

 

 

HMI-Touchscreen Emerson GO SWITCH 11-12110-00 1250W 120/240/480/600VAC 1/2 Zoll NPT

 

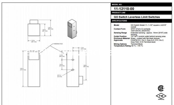
Das GO Switch Modell 11 zeichnet sich durch robuste Gehäuse und globale Zulassungen aus. Die Kontakte sind für 10 Ampere ausgelegt. Edelstahlgehäuse werden für nasse oder raue Umgebungen empfohlen. Alle Schalter enthalten Rundkopf-Befestigungsschrauben mit Sicherungsscheibe und Mutter. Der ursprüngliche hebellose Endschalter, das GO Switch Modell 11, verfügt über abgedichtete, goldbeschichtete Kontakte, berührungslose Erfassung und Schnappreaktion in einem quadratischen Schalterdesign: 38 mm x 116 mm hoch. Wie bei allen GO Switches kann er A/C oder D/C, N/O oder N/C verdrahtet werden, verbraucht keinen Strom für den Betrieb und hat keinen Kriechstrom oder Spannungsabfall.

Erhältlich in einem robusten Messing- oder Edelstahlgehäuse, hält das GO Switch Modell 11 physischer Beanspruchung, Feuchtigkeit und korrosiven Stoffen stand. Es bietet SPDT-10-Ampere-Kontakte, die für hohen oder niedrigen Strom geeignet sind, sowie standardmäßige 10-mm-Seitenerfassung, erweiterte Erfassung bis zu 14 mm oder 6-mm-Präzisionserfassung. Geeignet für explosionsgeschützte Anwendungen der Zone 0, 1 oder 2 (Div 1 & 2), hält es Temperaturen bis zu 176 °C stand und ist bis zu 132 Meter tauchfähig.

Das einfache Design des Modells 11, das robuste Gehäuse, der große Erfassungsbereich, die Flexibilität der Verdrahtung und die globalen Zulassungen machen es zu einer idealen Wahl, wenn eine zuverlässige Positionserfassung benötigt wird.

Vorteile:

  • Robustes Messing- oder Edelstahlgehäuse widersteht physischer Beanspruchung, Feuchtigkeit, explosiven und korrosiven Umgebungen.
  • Die Wippenankerplatte sorgt für Schnappwirkung und festen Kontaktdruck und eliminiert 'Kontakt-Teasing' und 'Kontakt-Chattern' in Anwendungen mit hohen Vibrationen
  • Hochleistungs-SPDT-Kontakte mit einer Nennleistung von 10 Ampere/120 VAC, 3 Ampere/24 VDC, 0,5 Ampere/125 VDC
  • Standardtemperatur -40 °C bis 105 °C, Hochtemperaturoption bis 176 °C
  • Geeignet für explosionsgeschützte Anwendungen der Zone 0, 1 oder 2 (Division 1 & 2)
  • Weltweit einziger explosionsgeschützter Näherungsschalter mit einer Nennleistung von 10 Ampere

 

 

Magnetsensoren: Sensortyp - Induktiver Magnetsensor; Anwendung - Erfassung von Eisenmetallen; Gehäuse-Montagestil - Block; Erfassungsposition - Seite; Drähte - 3W; Ausgangsmodus - SPDT; Material - Gehäuse - Messing, schwarzer Lack; Anschlussart - Kabelauslass; Anschlussgröße - 1/2" NPT; Gehäuseklassifizierung - Klasse 1, Div. 2; Betriebstemperatur - -40 bis 177 °C -40 bis 350 °F; Zusätzliche Informationen - Erfassungsabstand: 14 mm. Mit Zielmagnet: 95 mm nicht enthalten; Hersteller Serie - GO Switch 10 Serie

 

Zusätzliche Informationen: Erfassungsabstand: 14 mm. Mit Zielmagnet: 95 mm (nicht enthalten)

 

Robustes Messinggehäuse HMI-Touchpanel Kipphebelanker 1250W 11-12110-00 0

 

Spezifikationen:

Sensortyp: Magnetsensor
Anwendung: Erfassung von Eisenmetallen
Gehäuse-Montagestil: Block
Erfassungsposition: Seite
Drähte: 3W
Ausgangsmodus: SPDT
Material - Gehäuse: Messing, schwarzer Lack
Anschlussart: Kabelauslass
Anschlussgröße: 1/2 Zoll NPT
Gehäuseklassifizierung: Klasse 1, Div. 2
Betriebstemperatur: -40 bis 177 Grad C (-40 bis 350 Grad F)

 

 

Ähnliche Modelle:

81-20546-A2 81-20516-A2
7E-33658-DCA 7G-13529-B3
73-1352T-A2 73-13523-A2
73-13524-A2 11-11524-A2